
|
9379| 102
|
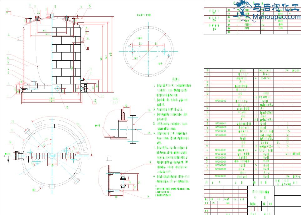
1500储罐设计论文及储罐CAD详图 |
评分
| |||||||||||
|
|
|||||||||||
| ||
| ||
| ||
发表于 2020-10-15 08:27:05
显示全部楼层
| ||
发表于 2020-10-15 08:27:05
显示全部楼层
| |
| ||
| ||
| ||
手机版|Mammoth Forum - Ride on Dreams, Live Up to Youth
GMT+8, 2026-3-8 10:33
Powered by 梦马论坛-以梦为马,不负韶华 © 2024-2099 Meng.Horse |