梦马论坛-以梦为马,不负韶华

搜索
查看: 1891|回复: 0
收起左侧

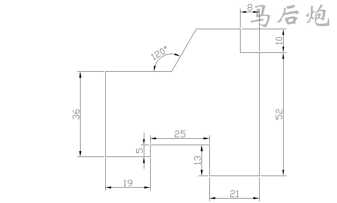
发一道初级的CAD练习题,

[复制链接]
发表于 2010-5-12 09:42:28 显示全部楼层 |阅读模式
发一道初级的CAD练习题,
Drawing1-Model.jpg

评分

参与人数 2韶华币 +12 收起 理由
hanpingsiping + 1
Horse + 11 积极帮助别人

查看全部评分

发表于 2010-5-12 13:40:38 显示全部楼层
哥哥,,难道最近在学cad啊。。。。
请勿灌水,请勿发布无意义纯表情或回复
您需要登录后才可以回帖 登录 | 注册

本版积分规则

手机版|Mammoth Forum - Ride on Dreams, Live Up to Youth

GMT+8, 2026-5-30 08:47

Powered by 梦马论坛-以梦为马,不负韶华

© 2024-2099 Meng.Horse

快速回复 返回顶部 返回列表